Корзина пуста
Опция LM10ZI-14GBIT-80B-SYMBOL-TD
| Торговая марка: | Teledyne LeCroy |
Аппаратный запуск для скорости передачи данных до 14,1 Гбит / с
• Встроенная система выравнивания сигнала для высокой надежности и стабильности синхронизации.
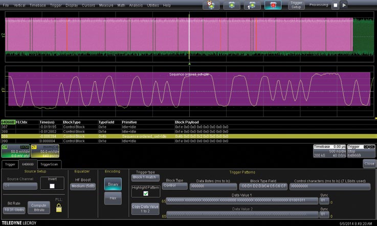
• Синхронизация по 80-битному шаблону NRZ
• Синхронизация по символам 8b/10b и 64b/66b
- Комплексный запуск по шаблону, блоку, символу и примитиву
- Запуск по недопустимым символам
- Синхронизация при выполнении ошибок несоответствия
• Декодирование 8b/10b и 64b/66b с интуитивно понятным, легко читаемым наложением декодирования на сигнал
• Идеально для:
– PCI Express®
– SAS
– Serial ATA
– USB 3.0
– DisplayPort
– DVI
– HDMI
– Ethernet
– FibreChannel
– IEEE 1394B
– InfiniBand
– Serial Rapid IO (SRIO)
– XAUI
Расширенные характеристики, каталоги, брошюры
-
4.19 МБ
-
3.47 МБ
Статьи, обзоры
- Teledyne LeCroy WD-2000 – первый цифровой осциллограф реального времени компании LeCroy
03.05.2012 г.
Новости
- Специальное предложение Teledyne LeCroy на 1 полугодие 2022 года
21.01.2022 г.
- Программная опция 3-Phase dq0 Transform – расширение возможностей осциллографов Teledyne LeCroy по анализу трёх фазных систем
09.07.2021 г.
- Программное обеспечение MAUI Studio - "Осциллограф на удаленке"
28.04.2021 г.
- Teledyne LeCroy запускает первые в мире генераторы сигналов произвольной формы высокого разрешения
05.03.2019 г.
- Памяти Уолтера ЛеKроя
26.07.2023 г.
- Teledyne LeCroy приобрела компанию OakGate Technology – лидера в тестировании SSD-дисков
14.01.2020 г.
- Теперь LeCroy и в России
25.12.2003 г.
Узнать о поступлении товара
Внимание! Отсутствие ошибок и опечаток не гарантируется. В технические характеристики средств измерений неутвержденного типа производителем могут быть внесены изменения без предварительного уведомления. Соответствие важных параметров требует уточнения. Полные технические характеристики предоставляются по отдельному запросу. Нашли ошибку? Выделите мышкой и нажмите Ctrl+Enter.

