Корзина пуста
Стандарты DisplayPort 2.0, 1.4 и eDP (Embedded DisplayPort).
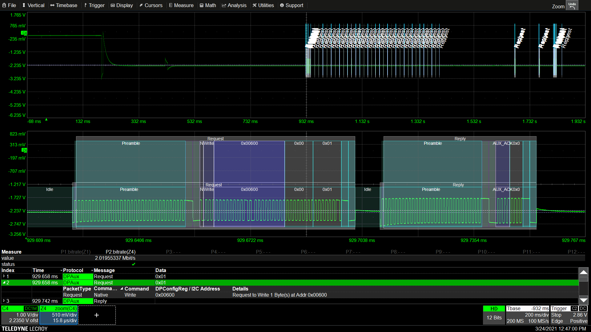
Декодирование данных чтения и записи DP-AUX
Транзакции нативного и I2C AUX-канала
Расширенные характеристики, каталоги, брошюры
-
4.19 МБ
-
3.47 МБ
Статьи, обзоры
- Teledyne LeCroy WD-2000 – первый цифровой осциллограф реального времени компании LeCroy
03.05.2012 г.
Новости
- Специальное предложение Teledyne LeCroy на 1 полугодие 2022 года
21.01.2022 г.
- Программные опции USBPD TDMP и DPAUX DMP - новые возможности осциллографов Teledyne LeCroy по анализу шин быстрой зарядки USB и интерфейса DisplayPort
20.01.2022 г.
- Программная опция 3-Phase dq0 Transform – расширение возможностей осциллографов Teledyne LeCroy по анализу трёх фазных систем
09.07.2021 г.
- Программное обеспечение MAUI Studio - "Осциллограф на удаленке"
28.04.2021 г.
- Teledyne LeCroy запускает первые в мире генераторы сигналов произвольной формы высокого разрешения
05.03.2019 г.
- Памяти Уолтера ЛеKроя
26.07.2023 г.
- Teledyne LeCroy приобрела компанию OakGate Technology – лидера в тестировании SSD-дисков
14.01.2020 г.
- Теперь LeCroy и в России
25.12.2003 г.
Узнать о поступлении товара
Внимание! Отсутствие ошибок и опечаток не гарантируется. В технические характеристики средств измерений неутвержденного типа производителем могут быть внесены изменения без предварительного уведомления. Соответствие важных параметров требует уточнения. Полные технические характеристики предоставляются по отдельному запросу. Нашли ошибку? Выделите мышкой и нажмите Ctrl+Enter.



